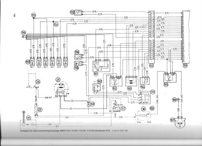
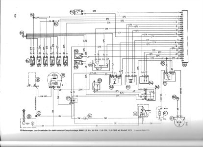
Greetings from Miami, I've been looking for an ignition switch. I recently had the body fully restored and repainted on my 72 CSI after an unfortunate accident. It is solid and looks fantastic again but I can't get it to start. I tried all the usual routes and it won't even crank. I turn the key, lights and gauges come on and nothing else, not a sound. Checked all my grounds and 2 underhood relays, relay ground at ecu under rear seat, MAP plugged in correctly, CSV ok, starter works fine, engine ground to firewall ok, grounds in trunk ok, pertronix ignition, checked ecu grounds and swapped ecu's...etc. I've turned my attention to the ignition switch. The accident had broken the steering wheel, a wooden Momo. The impact was frontal, it cracked and splintered the wood wheel and bent the three metal spokes backwards as there was quite an impact through the steering column. When I turn the key, there is power but nothing else. After turning the key, it springs back to normal but the process seems vague or possibly lighter than normal since there is nothing that happens. I can't hear the fuel pump or the clicking to fuel injectors. No power at injectors either. Wondering if the switch is toast or if anyone has either of the early metal ignition switches 61321355148, 61321351851 or an E21 metal ignition switch 61321366061 which I understand can easily be made to fit. I've read about the adaptable plastic ignition switches that @sfdon and Carl Nelson have mentioned as well. The 61321355148 shows as available from Maxmillian Imports but there are issues with their website lately. Any and all help is appreciated.






