Latest activity

  • e9Leveque
    e9Leveque replied to the thread 74 light wiring vs pre 74.
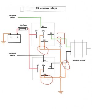
    Both the 3-wire and 2-wire need two relays, unfortunately. Maybe there is some relay out there that does some internal switching based...
  • eriknetherlands
    eriknetherlands replied to the thread Original Leather Seats..
    I still have the original tan leather, the pigskin with the hair follicles still visible. However it's split a few seams and has 2 or 3...
  • rsporsche
    rsporsche replied to the thread 74 light wiring vs pre 74.
    i have always heard that with sardine motors (3 wire) that you need 2 relays. maybe you wouldn't with a 5 prong relay. my...
  • CSteve
    Looking for a cover for the windshield wiper motor for my '72 Bavaria. Good condition or ??? PM me or email: [email protected] Steve
  • e9Leveque
    e9Leveque replied to the thread Horn location.
    @Barry.b negative or positive don't matter on these, it should sound either way. Are you getting any sound at all? I got a "clunk" when...
  • B
    Barry.b replied to the thread Horn location.
    Hi Thomas I opened mine up this evening expecting to find something obviously wrong or seized , but nothing looked obviously wrong. I...
  • e9Leveque
    e9Leveque replied to the thread 74 light wiring vs pre 74.
    Correct, the red power normally attaches to 30, and when I first looked at this diagram I thought it was wrong. BUT, yes, the relays...
  • rsporsche
    rsporsche replied to the thread 74 light wiring vs pre 74.
    Possibly, i haven't dealt with any 5 prong relays. one quick question in your diagram - shouldn't red power generally come into #30...
  • e9Leveque
    e9Leveque replied to the thread 74 light wiring vs pre 74.
    Secondarily, as I have been adding these additional circuits wired directly to the battery, I have been adding the connections directly...
  • Nachtycoupe
    That's a cool one w/ the extended ducts. Mine didn't have that. The fiberglass is easy to fix for someone that knows what they are...
  • e9Leveque
    e9Leveque replied to the thread 74 light wiring vs pre 74.
    It seems like this may be a circumstance for using a relay with an 87A that allows for one leg to always be open and for the switch...
    • F67A62E7-E924-47C4-9DFF-FC5A8E544282.jpeg
  • rsporsche
    rsporsche replied to the thread 74 light wiring vs pre 74.
    yes, i tend to agree with you - i will just leave the #15 connector just like its been for the last 54 years - empty. and just make the...
  • CeylonstonE9
    So I did a little digging and this is what I found but I let Carl do what he does and did not interfere terribly much. It’s been over a...
  • E911
    Thanks Fritzie!... 3.3 is a nice trade off for not having the original block.
  • E911
    I think i have the correct VIN and vehicle. Maybe the first digit in your engine was made unclear when it was replaced in your coupe.
Back
Top