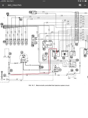
D-Jet fuel pump query

Plugged in.
You are testing if voltage is present to the relay and if the relay is functioning.

The pins 30, 86, 87 need to show battery voltage +
Pin 85 needs to show ground.

Power goes in at pin 30 and comes out at pin 87 if triggered by pin 86
Hi Don
I am looking for some help please ( apologies for hijacking this thread )
On my main Relay , I have the ground on 85
I have 12 volts at terminal 30 but nothing at 86 or 87
My car turns over but has no power getting to the fuel pump . I do have 12volts at the fuel pump relay but no signal/ switching voltage there.
I also have no spark at the spark plugs.
I also do not hear any clicks or blips from the injectors with the key in the on position and I open the throttle fast as you suggested.
She’s a September 1973 built 3.0csi.
When you mention checking the pins at the ecu , how do I do that . The cover seems to be crimped on with tabs .
Do people bend those back for access to the ecu ??
Oh . I did test both the main relay and fuel pump relay off of the car on the bench and the both work perfectly when connected to a separate 12 volt supply.
Any help or advice would be great thanks
 
You need battery positive at pin 86 with key on for the relay to operate.
Do you have 12 volts at the coil?
 
Hi Don
I have 12 volts at the coil
I have nothing at 86
I did have the starter disconnected, but I think it is reconnected properly.
 

Attachments

  • FFC4E3D8-CD2E-4298-A41A-BDAE30521F57.jpeg
    FFC4E3D8-CD2E-4298-A41A-BDAE30521F57.jpeg
    378.1 KB · Views: 131
  • 5C8B24B3-3785-422C-B202-36B236A97B39.jpeg
    5C8B24B3-3785-422C-B202-36B236A97B39.jpeg
    377.9 KB · Views: 100
  • 6CB2A0BE-0E0B-4932-ABEF-E2E0D29A3AA2.jpeg
    6CB2A0BE-0E0B-4932-ABEF-E2E0D29A3AA2.jpeg
    367.7 KB · Views: 114
  • CFA72E94-37A8-4CE0-9B48-D4DD0781E65B.jpeg
    CFA72E94-37A8-4CE0-9B48-D4DD0781E65B.jpeg
    334.8 KB · Views: 119
  • 2DB5245A-42EA-4591-8EBB-615D3049FBD5.jpeg
    2DB5245A-42EA-4591-8EBB-615D3049FBD5.jpeg
    298.4 KB · Views: 107
  • 31547126-4B7B-44CF-8EBB-994319289AEC.jpeg
    31547126-4B7B-44CF-8EBB-994319289AEC.jpeg
    269.5 KB · Views: 106
  • 1E4D5364-3F7B-4FD5-9271-07EB6921046B.jpeg
    1E4D5364-3F7B-4FD5-9271-07EB6921046B.jpeg
    326.6 KB · Views: 117
Do you have a single wire going to coil area from end of wire harness at valve cover?
 
Turn key on…
green wire from switch sends +battery to dropping resister that goes to coil
From same connection at resister one extra wire goes to energize main relay.

If you have early harness!
 

Attachments

  • IMG_1718.jpeg
    IMG_1718.jpeg
    197.8 KB · Views: 126
Last edited:
I’m not even 100% sure now if my coil is wired up correctly.
I thought it was but now I’m starting to doubt myself
 

Attachments

  • F1B6FE95-4E84-4B9E-947C-75A6F17BDCDA.jpeg
    F1B6FE95-4E84-4B9E-947C-75A6F17BDCDA.jpeg
    290.2 KB · Views: 117
Hi Don
I spent about 3 hours out in the garage tonight after work checking connectors etc. I still don’t have switching power going to my main relay unfortunately.
I checked my coil wiring and I think it’s correct.? I was not sure about one wire though. I think it goes from the resistor over to the number one terminal on the coil. ( does that sound correct )
Also I have a wire near the inner wing on the starter side of the engine, it has 12 volts when the ignition key is turned on, it is green and white
Do you know what that is for ?
I took out my distributor again and cleaned the FI contacts again and I put in new ignition points.
I still have no spark at the spark plugs.
Any ideas ?
I have to be honest and as you can probably already guess
I am definitely not an auto electrician. So any help or tips are more than welcome.
 

Attachments

  • 1EA546BA-CC8A-45C0-8951-EED9AB89ADDA.jpeg
    1EA546BA-CC8A-45C0-8951-EED9AB89ADDA.jpeg
    310.1 KB · Views: 111
  • 92B79933-392E-4AB8-8A3A-2F9D8492B810.jpeg
    92B79933-392E-4AB8-8A3A-2F9D8492B810.jpeg
    297.7 KB · Views: 112
  • BC1F948D-8DFD-4138-A6E0-5FBC61162622.jpeg
    BC1F948D-8DFD-4138-A6E0-5FBC61162622.jpeg
    323.2 KB · Views: 107
You connected the wires to the coil, distributor and harness wrong.
that white wire goes to the resistor not to the distributor
IMG_1726.jpeg
 
Hi Don
Connectors 2 and 3 are on the same wire , it’s about 6” long altogether
When you say the white wire are you talking about wire number 1 ?
( That white wire comes up through the chassis leg with the Fi loom )
And do you mean it should go to the top of the voltage resistor on the inner wing ?
Where do connectors 2 and 3 then go to ??

Thanks again
 

Attachments

  • 29270852-0477-48AE-A81B-6CE149AC8A5F.jpeg
    29270852-0477-48AE-A81B-6CE149AC8A5F.jpeg
    252.2 KB · Views: 101
  • 556C9D53-1447-4452-B136-2327D4B3F20F.jpeg
    556C9D53-1447-4452-B136-2327D4B3F20F.jpeg
    290.2 KB · Views: 106
3 goes to distributor and 2 goes to coil.
all black wires on that connector of the coil
this is the wire that makes the coil create the spark.

1 turns on the computer. It goes to resister at top.
white wire at top, green wire at top of resistor.
 
Thanks again Don
I am at work at the moment, so I will have to get back to the car this evening.
Hopefully I will get it sorted then .
Thanks
 
Back
Top