Melted Ground Wires & Fuse Nº 4 problem

The Electrical diagram in my car shows the battery with only one cable on the negative pole....

Captura de pantalla 2022-03-21 a las 17.54.43.png


Why would I put more cables on that pole if the original version of the car did not have them? @halboyles
 
The Electrical diagram in my car shows the battery with only one cable on the negative pole....

View attachment 138000

Why would I put more cables on that pole if the original version of the car did not have them? @halboyles

howdy madrileño !!!

i agree that the one pictured in there is the usual setup; only one cable from BATT (-) to body, you can replace the cable, and clean the metal, and if you like afterwards apply a dab of bosch dielectric fat, but that would be all for that particular issue

i also concur with the expressed point on the rear most ground cable between engine and body (firewall to be more precise), relevant, again good clean, undsoweiter...

other grounds between engine and body could help too (i.e. i have one connected to the tstat box, and another one to central valve cover stud, call me fool...)

but i suspect, provided the symptoms, that the culprit is not likely to be there...

p.s. sorry for not checking this thread before; Euroe9 was not particularly grabbing my attention, a proper nickname like Almeidatomae9, or AlaAlmendraconele9voy would have ignited a powerful spark in my combustion chamber, just kidding...

bienvenido
 


Carlos, that is a gorgeus colour; 055 anthrazitgrau, i have seen one on the flesh, really ?, yes, because there is another guy in madrid with the same colour combo !!! WTH ???

you must confess, who painted those kidney slats in black ? ahhh pillin !!!

one question is your car a cs or a csa ?

BTW, get rid of that metal filter, not appropriate for a 0,21 bar fuel pressure, use a transparent one
 
Welcome Carlos.

I'm no electrical expert myself, but reading that your car dies when you start driving it sounds to me like the voltage regulator may be dysfunctional. When you start driving, I think the voltage climbs a bit, and should be controlled (limited) by the voltage regulator.
the voltage regulator is the rectangular metal box close to the battery, next to the 2 round can relays. I think it normally has a yellow tape around it.

I may not be correct, but I think also the dynamo has an internal regulator, or at least some so. that regulator could be bad as well.

The melted brown wires are strange, but likely due to the too big fuse, allowing too big currents. The 'Too big' currents must be the result of another bad component; perhaps the voltage regulator.

I'm sure others will chime in, being more knowlegable then I am.


Erik, to be a less than an electrical expert you know quite a decent amount of electrical aspects of these cars...well done

voltage regulator, yes, it might have something to say, your Honor....

alternator and its internal regulator, too

here is the thing, this car originally has an external regulator and no regulator in the alternator, but when alternator is replaced by a newer one it is usually internally regulated, so the external regulator has to be left out from the wiring. It would be good to check this if possible

second thing to say, the alternator starts charging the battery as soon as you start the engine, the voltage climbs from 12,5 to 14volts at certain revs.

the usual warm up process by the automatic choke does not leave me with the image in my head, i can tell that fast iddle around 1300 to 1500 rpms does the trick, and voltage climbs up to 14 volts, but i do not remember what voltage you meassure at the battery when iddling at 950 rpms

and of course i can not figure out what makes it different when you start moving the car

i would recommend installing a voltmeter (BATT+ to ground) when rechecking this issue, an ammeter would be good too

we will do our best to solve this
 
Maybe I missed it in some of the responses but it seems like the "fuse blows only after the car moves" would be the biggest clue. What could movement/vibration cause? Voltage increase, except Carlos says he can rev the motor while stationary and it doesn't blow the fuse, so would that point toward a vibration causing a short? I think I would do what Carlos suggested first, to disconnect each circuit from Fuse #4 one at a time, or maybe connect them one at a time, and see what blows the fuse.

It may end up being a loose connection in one of the components and with the oversized fuse cause strange results.
 
Erik, to be a less than an electrical expert you know quite a decent amount of electrical aspects of these cars...well done

voltage regulator, yes, it might have something to say, your Honor....

alternator and its internal regulator, too

here is the thing, this car originally has an external regulator and no regulator in the alternator, but when alternator is replaced by a newer one it is usually internally regulated, so the external regulator has to be left out from the wiring. It would be good to check this if possible

second thing to say, the alternator starts charging the battery as soon as you start the engine, the voltage climbs from 12,5 to 14volts at certain revs.

the usual warm up process by the automatic choke does not leave me with the image in my head, i can tell that fast iddle around 1300 to 1500 rpms does the trick, and voltage climbs up to 14 volts, but i do not remember what voltage you meassure at the battery when iddling at 950 rpms

and of course i can not figure out what makes it different when you start moving the car

i would recommend installing a voltmeter (BATT+ to ground) when rechecking this issue, an ammeter would be good too

we will do our best to solve this
Hello everyone, and again I am really impressed with all the support I am receiving and the desire shown to try to solve what for me is an inexplicable chimera.

I can make pictures of the alternator to see if this was changed and therefor the external regulator should be disconnected, but my impression is that all components are original, so my question is: Were is the alternator and how would it look like in the case of been a newer version with the regulator inside it? I can make pictures.
 
Maybe I missed it in some of the responses but it seems like the "fuse blows only after the car moves" would be the biggest clue. What could movement/vibration cause? Voltage increase, except Carlos says he can rev the motor while stationary and it doesn't blow the fuse, so would that point toward a vibration causing a short? I think I would do what Carlos suggested first, to disconnect each circuit from Fuse #4 one at a time, or maybe connect them one at a time, and see what blows the fuse.

It may end up being a loose connection in one of the components and with the oversized fuse cause strange results.


you are right, and also very unlikely a vibration causing a short, if you tell me strong cornering, side ways, braking hard,...but starting the movement doesnt seem like a cause to me

on the other hand voltage increase would affect all other circuits, so why this number 4 is the only one affected ?

the 25Amp fuse suggests that the problem was there before

and i wonder how Carlos was able to pass the ITV test (ITV is similar to MOT)

still need some diagnose
 
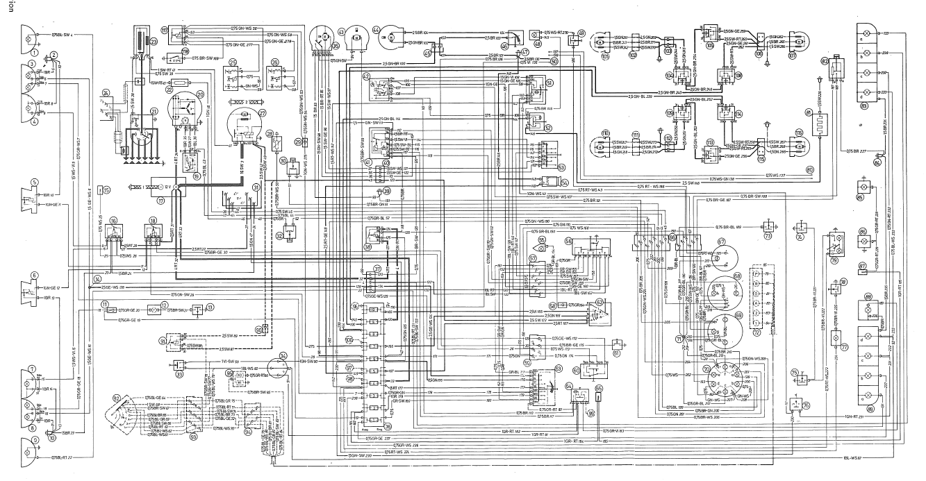
View attachment 138036


this should be your diagram, IMHO
I will love to have it on PDF format to be able to printed @deQuincey.... My Owners handsbook comes with this diagram (Attached PDF 0968_001).... and I have a better copy from this forum ... (Attached PDF 2800CS Euro Wiring....) Both are the same but I must admit that mi car is not 100 % equal, for example, in the diagrams shows two relays for the wiper (37 Delaying relay & 38 ChangeOver Relay 38) But my car has only one, a black box ins stead of two round metal relays like in previous models...


This one in from my car.....
IMG_0077.jpg


And I believe my diagrams Shows this version:

Captura de pantalla 2022-03-22 a las 9.06.28.png
 

Attachments

Correct @deQuincey, I believe your diagram is more accurate to my car model version. There is only one Relay for the Wiper if I am not missing something...
 
This morning first thing in the morning I went out for a walk and tried again, it seems that with the position light the fuse does not blow, but as soon as I put the dipped light (position 2 of the handle switch) the fuse blows.

And yes, @deQuincey as soon as the fuse blows, the car dies and the only light on the dash illuminated is the red light (L) but only while the car travels the last few meters before coming to a complete stop, where no lights illuminate in the instrument panel.

Yesterday I found a cable (yellow) connected to the high beam that was connected and coiled up that lay inside the bumper (not insulated, with visible copper), after talking to my father about it, he told me that in the 80s he installed a fog light, which was later stolen, and the cable was left there.... the other end of the cable (yellow) I found it connected to the fog light switch under the steering wheel. I thought that maybe that was the origin of the problem and that's why this morning I went out to test the car, but nothing, it's not that, yesterday I removed that yellow cable and insulated the area well but this morning the problem persists.
 
I will love to have it on PDF format to be able to printed @deQuincey.... My Owners handsbook comes with this diagram (Attached PDF 0968_001).... and I have a better copy from this forum ... (Attached PDF 2800CS Euro Wiring....) Both are the same but I must admit that mi car is not 100 % equal, for example, in the diagrams shows two relays for the wiper (37 Delaying relay & 38 ChangeOver Relay 38) But my car has only one, a black box ins stead of two round metal relays like in previous models...


This one in from my car.....
View attachment 138080

And I believe my diagrams Shows this version:

View attachment 138081


yesm then this is your version, only one wiper-washer relay


1647937486539.png
 
This morning first thing in the morning I went out for a walk and tried again, it seems that with the position light the fuse does not blow, but as soon as I put the dipped light (position 2 of the handle switch) the fuse blows.

And yes, @deQuincey as soon as the fuse blows, the car dies and the only light on the dash illuminated is the red light (L) but only while the car travels the last few meters before coming to a complete stop, where no lights illuminate in the instrument panel.

Yesterday I found a cable (yellow) connected to the high beam that was connected and coiled up that lay inside the bumper (not insulated, with visible copper), after talking to my father about it, he told me that in the 80s he installed a fog light, which was later stolen, and the cable was left there.... the other end of the cable (yellow) I found it connected to the fog light switch under the steering wheel. I thought that maybe that was the origin of the problem and that's why this morning I went out to test the car, but nothing, it's not that, yesterday I removed that yellow cable and insulated the area well but this morning the problem persists.


"me that in the 80s he installed a fog light, whic"

if coiled to the high beam not a fog, but a driving lights, that should be connected in a different way using a free faston as #15 in diagram; but if they are not present, ...


1647937757913.png
 
These are the pictures of the yellow cable connected to de front high beam light and the other picture of this same cable on the Rear fog light switch....

IMG_0148.jpg
IMG_0034.jpg


However, now this cable is out and the area isolated but the problems continues...

IMG_0151.jpg
.
IMG_0152.jpg



By the way, I found the connection between engine and body, It is a large braided flat cable, I leave you photos to see if this is the cable we are talking about...

IMG_0145.jpg
IMG_0141.jpg
IMG_0144.jpg
IMG_0143.jpg
IMG_0142.jpg
 
considering what the fuse number 4 protects, i can not see it related to the main lights of the car, it goes to the warning switch, and clock, and also interior light and trunk light

could you check if it has been used in a different way adding some other loads on it ?

it is suposed to be used for optional extra trailer indicators, but i assume that not in your case
 
Back
Top