Beaudave
Active Member
He is ripping out his car just for all of us. What a venerable man, that Erik.What a fantastic view from an impossible vantage. Thanks for doing this Erik!
He is ripping out his car just for all of us. What a venerable man, that Erik.What a fantastic view from an impossible vantage. Thanks for doing this Erik!
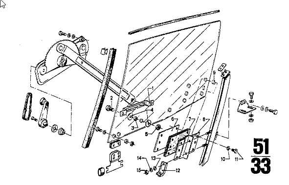
Erik, those #12 brackets are mounted at the bottom of the sliding mechanism, and seems to me they are a mechanical stop when the window goes all the way down. I am not surprised yours are missing. I have noticed that when removing them your window can go a little lower inside the door. Which I really prefer, because the windows don't totally disappear inside the doors. the little edge that remains out is not comfortable when you're "resting" your elbow on the door.Question to the gruppe: I'm looking for knowledge on the parts inside the door. It seems I'm missing parts in my car.
The exploded views from BMW show it #12, at the bottom in the drawing, that seems to be missing in my car on both sides:
View attachment 176293
the associated parts number(s) are
51326746102
51326746103
which usually indicate that they are 'handed'; a left and right version possibly exist.
From a purpose perspective, I think they are designed so that the window does not go too high up.
I do have a piece of similar shape, but it is located at the top & inside of the door. It also seems to be different in number of holes, and it clearly not screwed to the window track -bearing block but to the door.
View attachment 176295View attachment 176294
Can anyone confirm if the #12 indeed exists?
Would anybody have a picture of it?
Anyone have 2 for sale?
If you are talking about the little white buffers that go on the door catch - I think they do 2 things:Got the same plastic parts installed and ask myself the same question ?
Breiti

So likely the hole on the left side should also be equipped, from factory, with such a C- clip.Clip is to attach cover under motor.
Manual and automatic cars had different radiators whether with a/c or not made no difference. The auto radiator has two cooling lines for the auto trans. In MY 1974 a temp sensor was added to passenger side of either radiator or it might be on the lower hose fitting to activate the fan in front of the radiator. I have only seen this fan when used with an a/c condenser in front of the radiator. Perhaps all 74s had the extra fan even without a/c. Every 74 in the US has a/c.Mine is from May 73, swiss delivered.
You mean to say that that radiator is originally only for AC equipped cars?
The car didn't come to me with AC equipment. Can I spot somehow it ever had, from factory?
The fan could have been retrofitted ofcourse, perhaps to prevent over heating, who knows.
I think i have the switch also that you mention, a flat black rectagular box with a silver label on it; it was m mounted on the inner wing.
....the front side of the stabiliser brackets will go in there. Allows some moving of the rubber when mountingI'm sure you know I had those same cracks. And also, specifically, cracks related to an oversized anti-sway bar.
View attachment 207518View attachment 207519View attachment 207520
I think the clip is to hold the rare and seldom seen bottom cover (under the engine compartment).


Erik, indeed the Automatic did have the additional fan, same as the AC cars. Mine was a factory-automatic w/o AC and had the same.@HB Chris, sorry about my incorrect terminology. I was mixing up 'radiator' and 'Fan' on my side. I corrected some wordings in the posts above.
Indeed my car had this additional fan installed, but no AC parts were installed when I bought the car.
I always assumed that the auxiliary fan was there as a standard equipment as part of being an automatic. Which is also why i couldn't locate them in the Tranmission section in the parts books.
But thanks to you I now understand that they are in fact part of the AC setup.
(Side question is this the part (function) that is often added when talking about the "SPAL" fan?)
Knowing it's an AC part, I could also locate the parts in the RealOem website:
The drawing there seems to depict parts 7 and * as being quite symmetrical, meaning the bend in my right part probably is man-made / self induced in a frontal impact (my car also had a new nose)
View attachment 207604
The 'shroud' that i mentioned was actually part #1 "Blower unit" the cylindrical part that holds the motor of the auxiliary fan; it used the 2 brackets (# 7 is left and #8 ir right) to be mounted directly behind the kidney grille.
The part 17, temperature switch, seems to be the part that you also reference as being std equipment in the US from '74 MY. RealOEM lists it being used from 71 to 73.
I think the part labelled as "A"in the pic is that Temperature switch (at the time i didn't know the functions of these things, so i just labeled them a/b/c:
View attachment 207613